0
0

Рычаг подвески нижний правый ATV Hunter 200 New, BIG

Артикул: 00000015368
Ожидается поступление
AVANTIS FINANCE
бери технику сегодня - плати, когда удобно!
Купить в рассрочку
Технические характеристики
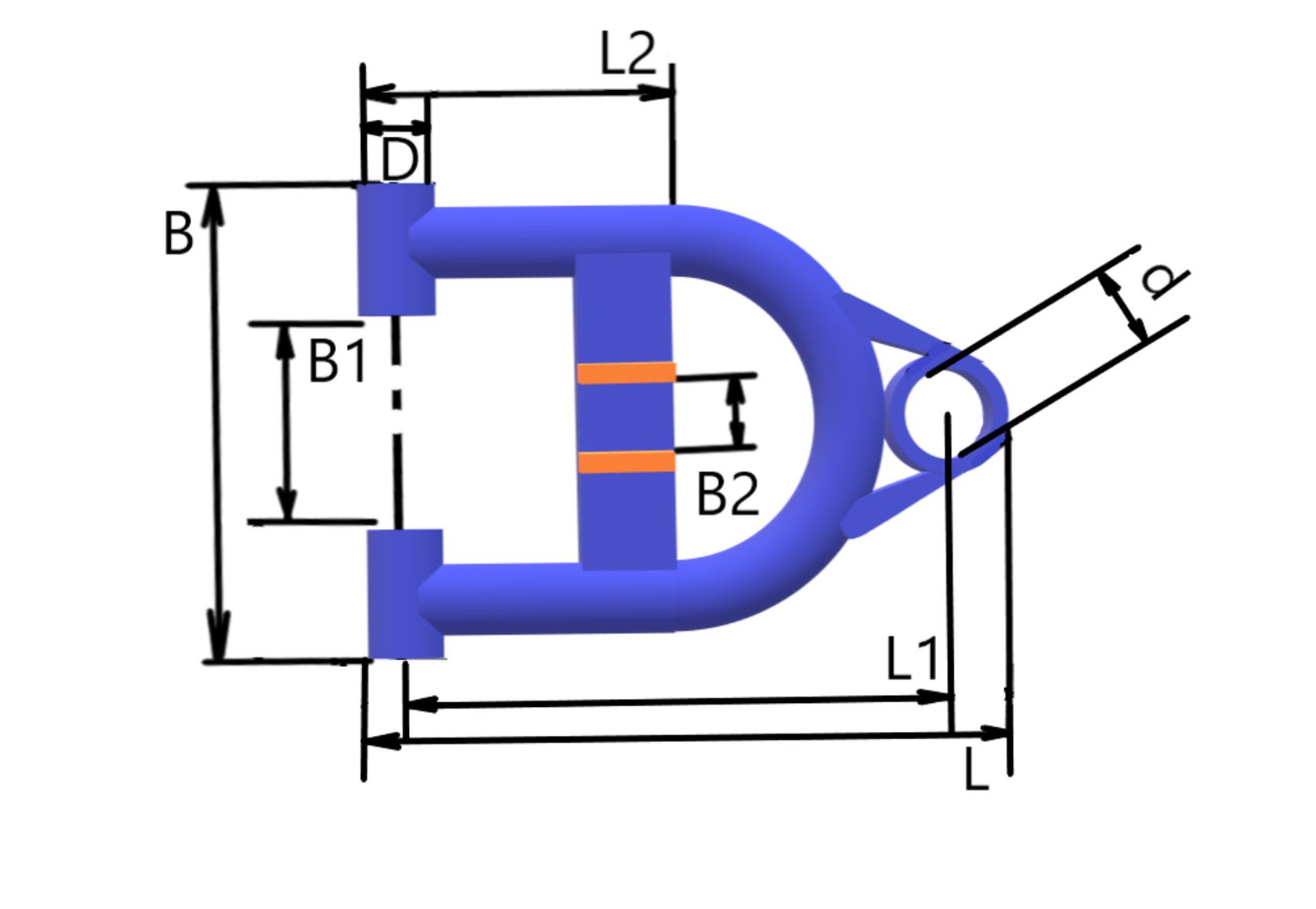
Рычаг нижний правый под запрессовываемую шаровую опору ф32 366х203

Полная длина рычага L, мм: 366
Межцентровое расстояние от оси крепления к раме до оси шаровой опоры L1, мм: 329
Межцентровое расстояние оси крепления амортизатора и оси крепления к раме L2, мм: 190
Внешняя ширина ушей крепления к раме B, мм: 203
Внутренняя ширина между ушей крепления к раме B1, мм: 118
Внутренняя ширина крепления амортизатора В2, мм: 32
Внутренний диаметр ушей креплений к раме D, мм:
Диаметр шаровой опоры D1, мм: 32
Официальные дилеры AVANTIS
"ORANGE-MOTO"

Липецк, ул. Московская, д. 79В

Контактный номер:
Режим работы: ПН-ПТ с 9 до 20; СБ, ВС с 9 до 19
ATV-MOTO

Пермь, ул. Хлебозаводская, 22/1

Контактный номер: +7 800 551 99 73
Режим работы: ежедневно 09.00-20.00
ATV-MOTO

Самара, Московское шоссе, 16-й километр, 1Вс1 (Авто Молл 2 этаж)

Контактный номер: +7 800 551 99 73
Режим работы: ежедневно 10.00-19.00
ATV-MOTO

Ярославль, ул. Малая Пролетарская 18 А

Контактный номер: +7 800 551 99 73
Режим работы: ежедневно 10.00-19.00
Belmoto.by

Минск, ул. Основателей, 27

Контактный номер: +375 (33) 302-53-53 +375 (44) 702-53-53
Режим работы: ПН-ПТ: 09.00-18.00 . СБ: 10.00-16.00 . ВС: По согласованию
EXSPERT

Минск, Сеницкий сельсовет , 84 . ТЦ Сеница

Контактный номер: +375 29 663-66-00
Режим работы: Ежедневно с 10:00 до 20:00
Moped24

Красноярск, Улица Мате Залки, 37

Контактный номер: +7 (391) 288‒39‒68
Режим работы: Ежедневно с 09:00 до 19:00
Stels

Иркутск, Напольная улица, ст69/1

Контактный номер: +7‒908‒775‒47‒49 +7 (3952) 602‒689
Режим работы: Пн — Пт 10:00–18:00 Сб — Вс Выходной
Адреналин Мото

Оренбург, Загородное шоссе, 17 ст4

Контактный номер: +7‒922‒800‒26‒00
Режим работы: Ежедневно с 10:00 до 19:00
ИП Русаков С.С. - Авантис (Северный)

Санкт-Петербург, пр-т Северный, 3к2

Контактный номер: 8 (921) 597-26-22
Режим работы: Пн-Вс 09:00 - 21:00
КингМото

Барнаул, ​Павловский тракт, 311г

Контактный номер: +7‒961‒234‒79‒25
Режим работы: Ежедневно с 10:00 до 19:00
Магазин "Актив - 31"

Дубовое, ул.Широкая, 1г

Контактный номер: 84722410823
Режим работы: ежедневно, 09:00–19:00
Магазин "Арсенал"

Орел, ш. Московское, 126Б

Контактный номер: 8 (486) 220-07-55 8 (905) 168-33-39
Режим работы: Пн-Пт 08:00-19:00, Сб-Вс 09:00-18:00
Магазин "Кросс" - Авантис (Вельск)

Вельск, ул. Дзержинского, 86, стр. 3

Контактный номер: 8 (952) 300-22-22 8 (902) 193-85-30
Режим работы: Пн-Пт 09:00 - 18:00, Сб-Вс 10:00 - 17:00
Магазин "Кросс" - Авантис (Котлас)

Котлас, пр. Мира, 18

Контактный номер: 8 (921) 678-67-59
Режим работы: Пн–Вс 10:00 - 20:00
Магазин "Кураж"

Тверь, ш.Сахаровское, 32

Контактный номер: 89040107755; 88005555489; 84822647700
Режим работы: ежедневно, 09:00–19:00
Магазин "Мото-Вело"

Рыбинск, улица Плеханова, д. 20

Контактный номер: 8 (910) 813-41-70
Режим работы: Пн-Пт 10:00–19:00; Сб 10:00–17:00
Магазин "МотоКалуга"

Калуга, ул.Салтыкова-Щедрина, 76 к1

Контактный номер: 8 (484) 254-00-24
Режим работы: Пн-Пт 10:00 - 19:00, Сб 10:00 - 17:00, Вс 10:00 - 15:00
Магазин "МотоКурс" - Авантис

Киржач, ул.Привокзальная, 63

Контактный номер: 8 (967) 043-03-14
Режим работы: Пн-Вс 09:00 - 20:00
Магазин "Мотомаркет" - Авантис

Ковров, ул.Маяковского, 4

Контактный номер: 8 (499) 348-28-44
Режим работы: Пн-Вс 09:00 - 19:00
Магазин "Мотомаркет" - Авантис (Сыктывкар)

Сыктывкар, ул. Морозова, 209

Контактный номер: 8 (821) 256-46-69
Режим работы: Пн-Пт 09:00 - 19:00, Сб-Вс 10:00 - 18:00
Магазин "Мототехника на Новой" - Авантис

Вязники, ул.Новая, 7

Контактный номер: 8 (920) 900-12-78
Режим работы: Пн-Пт 09:00 - 18:00, Сб-Вс 09:00 - 15:00
Магазин "РоллингМото" - Авантис (Планерная)

Санкт-Петербург, ул. Планерная, 15Б

Контактный номер: 8 (950) 003-98-68
Режим работы: Пн-Вс 10:00 - 21:00
Магазин "РоллингМото" - Авантис (Типанова)

Санкт-Петербург, ул. Типанова, 27/39

Контактный номер: 8 (950) 003-98-68
Режим работы: Пн-Вс 10:00 - 21:00
Магазин "Старт"

Борисоглебск, ул.Пешкова-Павловского 108-117

Контактный номер: 8 (910) 281-90-57
Режим работы: Пн-Вс 09:00–19:00
Магазин "Технодром"

Псков, ул. 23 Июля, 4

Контактный номер: 8 (811) 250-00-55
Режим работы: Пн-Пт 09:00-20:00, Сб-Вс 10:00-18:00
Магазин "ТехноМир" - Авантис

Киров (Кировская обл.), ул. Производственная, 27

Контактный номер: 8 (833) 270-43-43 8 (833) 270-36-36
Режим работы: Пн–Сб 09:00 - 19:00, Вс 10:00 - 17:00
Магазин Rollingmoto

Орел, ул. Ломоносова, 6Б, Орёл (ТЦ Утес, этаж 1)

Контактный номер: 8 (4862) 44-16-61
Режим работы: Пн-Пт 09:00-18:00
Магазин-салон "МотоПлюс"

Северодвинск, ул. Новая, 1А строение 4

Контактный номер: 9022861618
Режим работы: пн-пт 11:00–19:00; сб 11:00–18:00
Мото-фаворит 57

Орел, ул. Половецкая , 75

Контактный номер: +7 (953) 613-90-43
Режим работы: Ежедневно с 09:00–18:00
Мотовело

Новомосковск, ул.Первомайская , 77

Контактный номер: +7 (910) 589-83-43
Режим работы: Понедельник - пятница с 9:00 - 18:00. Суббота и воскресенье с 9:00 - 17:00
Моторайон

Иркутск, Улица Рабочего Штаба, 136

Контактный номер: +7‒914‒906‒21‒21
Режим работы: Пн — Пт 10:00–18:30 Сб — Вс 11:00–17:00
Мотосалон " Мото-Тайм "

Белгород, ул. Дзгоева, 4

Контактный номер: 7 (4722) 78-31-78
Режим работы: пн-пт 09:00–18:00; сб,вс 10:00–16:00
Мотосалон "BVD-Shop"

Санкт-Петербург, ул. Свердловская набережная, 60

Контактный номер: 8 (812) 413-98-18
Режим работы: Пн-Вс 10:00 - 21:00
Мотосалон "MOTOCENTR"

Брянск, 2-я ул. Мичурина, 2А

Контактный номер: 8 (960) 555-70-71
Режим работы: Пн-Пт 10:00–19:00; Сб,Вс 10:00–18:00
Мотосалон "Offroadpark"

Калининград (Кенигсберг), Гурьевский район посёлок Зеленополье ул. Пасечная 5

Контактный номер: 8 (962) 253-51-64
Режим работы: Пн-Вс 10:00 - 20:00
Мотосалон "Stels" - Авантис (Мурманск)

Мурманск, пр-кт. Кольский, 51/3

Контактный номер: 8 (815) 224-46-48
Режим работы: Пн-Пт 11:00 - 19:00, Сб 11:00 - 16:00
Мотосалон "Авангард"

Череповец, ш.Кирилловское, 61А

Контактный номер: 8 (820) 267-60-60
Режим работы: Пн-Вс 08:00 - 20:00
Мотосалон "Акула"

Кострома, ул.Юрия Смирнова, 83в

Контактный номер: 8 (964) 152-42-42
Режим работы: Пн-Пт 08:30 - 17:00, Сб 09:00 - 17:00, Вс 10:00 - 16:00
Мотосалон "ВЕЗДЕХОД"

Тверь, ул. Плеханова, 49

Контактный номер: 8 (4822) 47 66 74 8 (904) 351-69-50
Режим работы: Пн-Пт 09:00–19:00; Сб,Вс 10:00–16:00
Мотосалон "Глобус - Экстрим"

Тамбов, ул. Бастионная 28Н

Контактный номер: 8 4752 70 05 09
Режим работы: ПН -СБ с 09:00 до 19:00 , Воскресенье с 09:00 до 17:00
Мотосалон "КМС"

Курск, ул.Верхняя Луговая, д.6 Д

Контактный номер:
Режим работы: Ежедневно с 09:00 до 19:00
Мотосалон "Ларин Моторс"

Ярославль, ул.Цветочная, 2А

Контактный номер: 8 (920) 101-22-22
Режим работы: Пн-Пт 13:00 - 18:00
Мотосалон "МногоКвадрофф 53"

Великий Новгород (Новгород), ул. Северная, 2

Контактный номер: 8 (950) 680-56-56
Режим работы: Пн-Пт 10:00-18:00, Сб 10:00-16:30
Мотосалон "Мото Понарин Мх"

Воронеж, ул. Антонова-Овсеенко, 9в

Контактный номер: 7 (960) 110-86-20
Режим работы: пн,вт,ср,чт,пт,вс 10:00–20:00, суббота выходной
Мотосалон "Мото-Вело"

Иваново, Проспект Текстильщиков 80

Контактный номер: 8 920 671 4152
Режим работы: пн-пт 08:00–19:00; сб 08:00–18:00
Мотосалон "Мото48" - Авантис

Липецк, пр-д Трубный, 6

Контактный номер: 8 (910) 742-77-04
Режим работы: Пн-Пт 10:00 - 18:00, Сб 10:00 - 16:00, Вс 10:00 - 14:00
Мотосалон "Мотоначинка"

Рязань, Куйбышевское ш., 47

Контактный номер: 8 (491) 225-01-00
Режим работы: Пн-Пт 09:00–18:00; Сб,Вс 09:00–16:00
Мотосалон "РМ Центр Вологда"

Вологда, ул.Зосимовская, 109А

Контактный номер: 8 (817) 275-17-51 8 (817) 275-79-93
Режим работы: Пн-Пт 09:00 - 18:00, Сб 09:00 - 15:00
Мотосалон "Шб-мото"

Старый Оскол, ул.Первой Конной Армии, 86

Контактный номер: 8 (903) 642-39-88
Режим работы: Пн-Сб 09:00 - 19:00
Мотосалон «Мотарс»

Вологда, ул. Чернышевского, д. 120 лит. Г (ТЦ «Бригантина»)

Контактный номер: 8 (800) 551-95-01 доб. 101
Режим работы: Пн. – Пт.: 09:00 - 18:00, Сб: 10:00 - 17:00, Вс. – выходной
Мотосалон-прокат Мотожир

Ломоносовский район, Виллозское городское поселение, Территория ССК Русское Оружие

Контактный номер: 8 (995) 625-25-78
Режим работы: Пн - Вс 09:00–22:00
Мотосалон: "Центр Мото Либертас"

Смоленск, ул. Академика Петрова, 2

Контактный номер: 8 (902) 286-16-18
Режим работы: Пн-Пт 10:00 - 19:00, Сб-Вс 10:00 - 18:00
МотоСервис "Arсtic Motors NAO"

Нарьян-Мар, Переулок Сахалинский, 30

Контактный номер: 8 (911) 659-24-12
Режим работы: Пн-Вс 10:00-20:00
МотоСоюз

Новокузнецк, Улица Димитрова, 21.

Контактный номер: +7 (3843) 56‒04‒64
Режим работы: Ежедневно с 10:00 до 19:00
МотоСоюз

Кемерово, Улица Терешковой, 41/6.

Контактный номер: +7 (3842) 32‒69‒10
Режим работы: Ежедневно с 10:00 до 19:00
МотоСоюз

Томск, Проспект Ленина, 215/1 .

Контактный номер: +7 (3822) 73‒42‒01
Режим работы: Ежедневно с 10:00 до 19:00
МотоСоюз

Барнаул, Павловский тракт, 198г .

Контактный номер: +7 (3852) 75‒65‒23
Режим работы: Ежедневно с 10:00 до 19:00
Техно Дачник

Стерлитамак, Оренбургский тракт, 30

Контактный номер: +7‒908‒351‒38‒88
Режим работы: Ежедневно с 10:00 до 19:00
ТопМот

Санкт-Петербург, Московский просп., 83С

Контактный номер: +7 (965) 043-08-88
Режим работы: Ежедневно с 10:00–20:00
Центр экстремальной техники "Аллигатор"

Красноярск, ул. Свердловская, 2 «В»

Контактный номер: 8 (391) 233-77-00
Режим работы: Пн-Пт 10:00 - 19:00, Сб-Вс 10:00 - 17:00
Центр экстремальной техники "Аллигатор"

Красноярск, ул. Октябрьская, 12

Контактный номер: 8 (391) 205-15-35
Режим работы: Пн-Пт10:00 - 19:00, Сб-Вс 10:00 - 17:00